2021年12月24日,机电工程系17级电子信息工程技术专业的学生在学校1号楼的三个教室分三组进行了毕业答辩。在各个学生介绍完毕业设计材料的基础上,各答辩小组老师提出三到五个典型问题让学生进行回答,学生结合自己的毕业设计实际进行了答辩并展示了个人的毕业设计作品,答辩取得了圆满成功。
学生在进行毕业答辩准备:

学生在进行毕业答辩:


答辩老师在认真记录学生的回答:

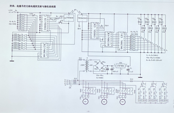
学生毕业设计作品及图纸:

2021年12月24日,机电工程系17级电子信息工程技术专业的学生在学校1号楼的三个教室分三组进行了毕业答辩。在各个学生介绍完毕业设计材料的基础上,各答辩小组老师提出三到五个典型问题让学生进行回答,学生结合自己的毕业设计实际进行了答辩并展示了个人的毕业设计作品,答辩取得了圆满成功。
学生在进行毕业答辩准备:

学生在进行毕业答辩:


答辩老师在认真记录学生的回答:

学生毕业设计作品及图纸:
